Passage d'une éprom 2716 vers une 2764

Répondre
Avatar du membre
marc
Dept: 75
Rech/Achete: 0 flip
Messages : 562
Enregistré le : 01/10/2002
Pas vu depuis 9 mois
Niveau : Confirmé
Pro / revendeur : non
Localisation : Paris

Passage d'une éprom 2716 vers une 2764

Message par marc » jeu. 30 09, 2004 16:08

De la 2716 à la 2764

Depuis quelques temps déjà les revendeurs de composants électroniques sont en rupture d’ eprom 2716 et 2732; Ces sont des mémoires qui contient 2ko et 4Ko qui ne sont pratiquement plus du tout utilisées d’ou leur rareté et leur chereté, et qui sont aussi coûteuses à fabriquer que des eproms plus importantes en poids comme les 2764 et 27128 qui contiennent respectivement 8Ko et 16Ko.
Les premières eproms disponibles aujourd’hui à des prix abordables sont les 2764. Dans les flippers déjà ancien, il arrive que le programme de jeu «flashe» , nous devons alors le remplacer et programmer une nouvelle eprom.

Je vous propose donc de réaliser un système d’adaptation déjà connu sous le nom de Piggy Back afin de passer de la 2716 à la 2764.

En prenant les schémas de brochage des deux eproms nous constatons que la 2716 possède 24 pattes alors que la 2764 en a 28.

Image

On peut voir aussi que les pattes sont placées aux mêmes endroits exceptées pour la pin 21(Vpp) sur la 2716 et la 23 (A11) pour la 2764. Les pattes supplémentaires 1,2 ,27 et 28 n’interviennent pas et seront reliées au +5V.

Image

Le Matériel nécessaire:

Image

Une plaquette d’essai époxy à trous à bandes cuivrées et étamées type AG605 de chez Velleman
Une barrette à souder de support tulipes sécables
Une barrette de contacts droits en bande sécable
Une eprom 27C64 vierge
Un forêt de diamètre 3.5 et plus mais neuf de préférence
Une scie à métaux
Un fer à souder pointe fine
Un rouleau de soudure 60% étain
Un condensateur de 100nf céramique
Du fil de câblage rigide étamé pour straps
Une pince coupante


La Réalisation:

A l’aide de la scie à métaux vous découpez dans la plaquette époxy un carré de 3,5 x 3,5 cm.

Image

Ensuite on prend le forêt et la plaquette , les bandes à l’horizontale, en faisant attention aux nombres des trous ainsi qu’à leurs emplacements, vous découpez la piste cuivrée se trouvant autour des trous désignés d’un ou deux tours de forêt, en prenant soin que la piste de cuivre soit bien éliminée pour éviter les court-circuits avec les bandes parallèles.

Image

Faites chauffer votre fer à souder et à l’aide du fil rigide pour faire du câblage réalisez vos trois straps. Attention aux emplacements puis soudez.

Image

On prend de la bande contacts droits et on en sépare deux fois 12 broches. Ils servirons à remplacer les pattes de la 2716. Une fois enfichés après avoir fait attention aux niveaux d’insertion, vous retournez la plaquette sur un support dur et résistant et vous appuyez pour que les picots remonte et qu’ils arrivent à ras de la bande noire, ceci afin de permettre l’implantation de l’eprom par au dessus.

Image

En maintenant les contacts bien enfoncés vous les soudez en faisant attention de ne pas relier deux pistes avec de la soudure.

Image

Vous prenez votre bande à support tulipes et vous réalisez deux fois 14 broches. Vous allez fabriquez le support pour la 2764.

Image

Vous prenez votre fer à souder et avec beaucoup de précaution vous souder vos pins en faisant toujours très attention de ne pas relier deux pistes entre elles.

Image

Il reste à ajouter le condensateur de filtrage pour supprimer les bruits parasites des lignes d’alimentation et de faire une marque sur la plaquette pour indiquer le sens d’insertion de l’eprom .

Image

Une dernière inspection au niveau des pistes et des soudures , et on enfiche la 2764 dans son support.

Image

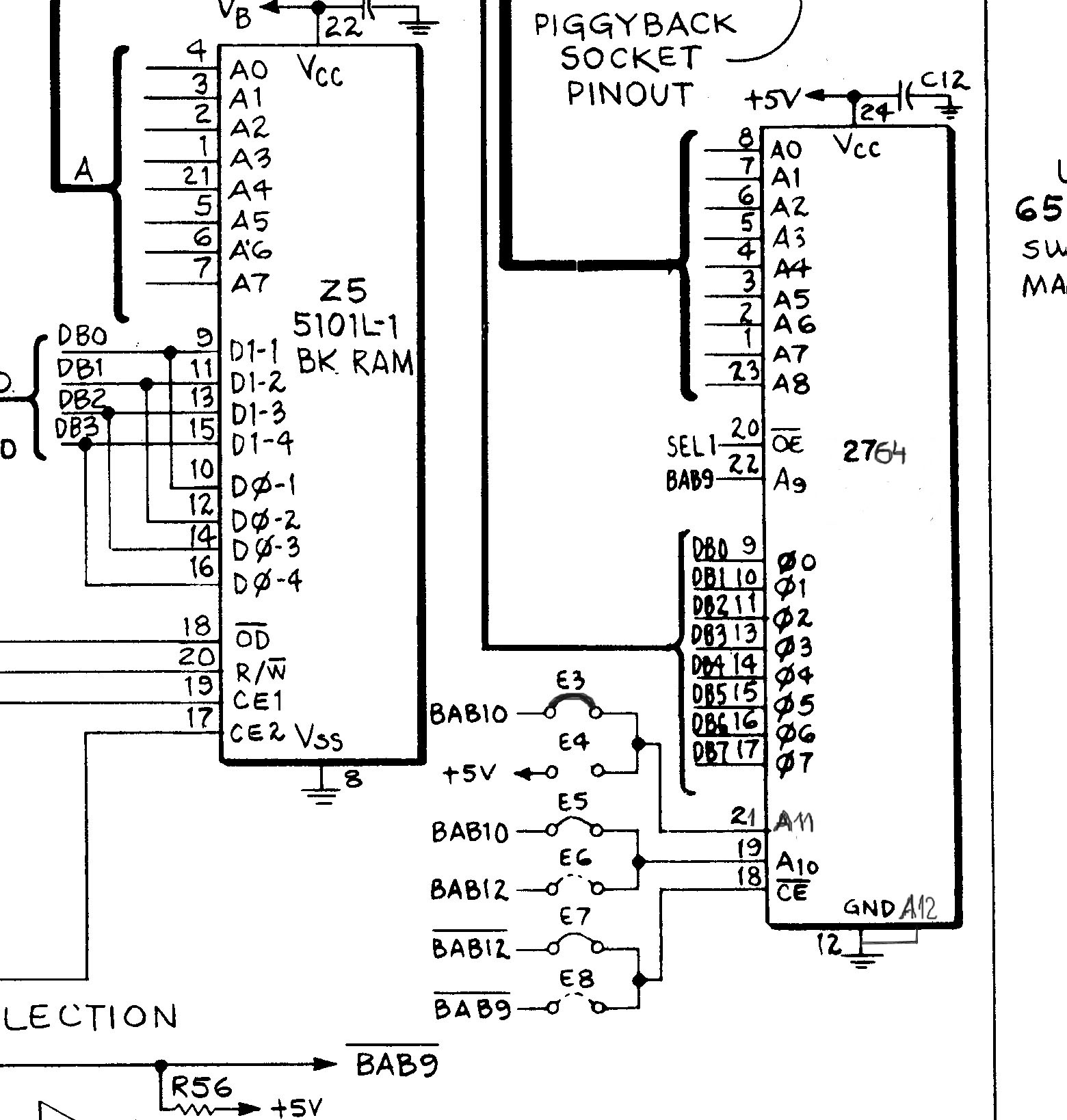
Les MODIFICATIONS sur votre CPU GOTTLIEB:

Chez Gottlieb après le flipper Excalibur N°715, les programmes contenus dans la 2716 ont été up gradés et sont passés en 2732. Or pour que cela puisse fonctionner, suivant les numéros de fabrication de votre Cpu, distinguées en deux séries les MA-774 et MA-1133, en il y a plusieurs modifications a réaliser.

Pour passer de la 2716 à la 2764 nous reprenons ces mêmes modifications diffusées par un bulletin d’information technique de Premier Technology .

Image

Attention il faut prendre toutes les précautions requises avant de reconnecter votre carte;

Pour une carte MA-1133:
Installer un strap en E3 et coupé le strap en E4
En fait la pin 21 sur la 2716 est l’entrée de programmation ,aussi en mode «Read» lecture elle doit être reliée au +5V. La pin 23 de la 2764 est l’adresse A11 qui doit être reliée au bus d’adressage. On coupe E4 le +5V et on relie E3 au bus.

Pour une carte MA-774:
Installer un strap en E3 et coupé le strap en E4
Coupez la piste côté composants comme indiqué Fig2
Souder un fil a wrapper côté soudure entre les points A et B comme indiqué Fig3

Image
Image
Image

Voilà votre Cpu avec des programmes neufs est prête à fonctionner.

Image
Image
Image

Encore un point à signaler on ne peut remettre la 2716 après les modifications.

Voilà un petit bricolage qui pourra éventuellement vous servir!
Bon flip à tous! Salutations Marc!

Répondre